首页
产品中心
直线位移
角位移
传感器通讯技术
技术支持
销售服务
售后服务项目一览
公司开票与帐户信息
定制与样品服务联系人
技术咨询/销售联系人
下载中心
联系我们
首页
产品中心
技术支持
销售服务
下载中心
联系我们
主页
|
产品中心
|
直线位移
| 齿轮绝 对值多圈角度传感器
齿轮绝 对值多圈角度传感器
RB300-M020-24VA420齿轮绝对值多圈角度传感器
概述
产品数据
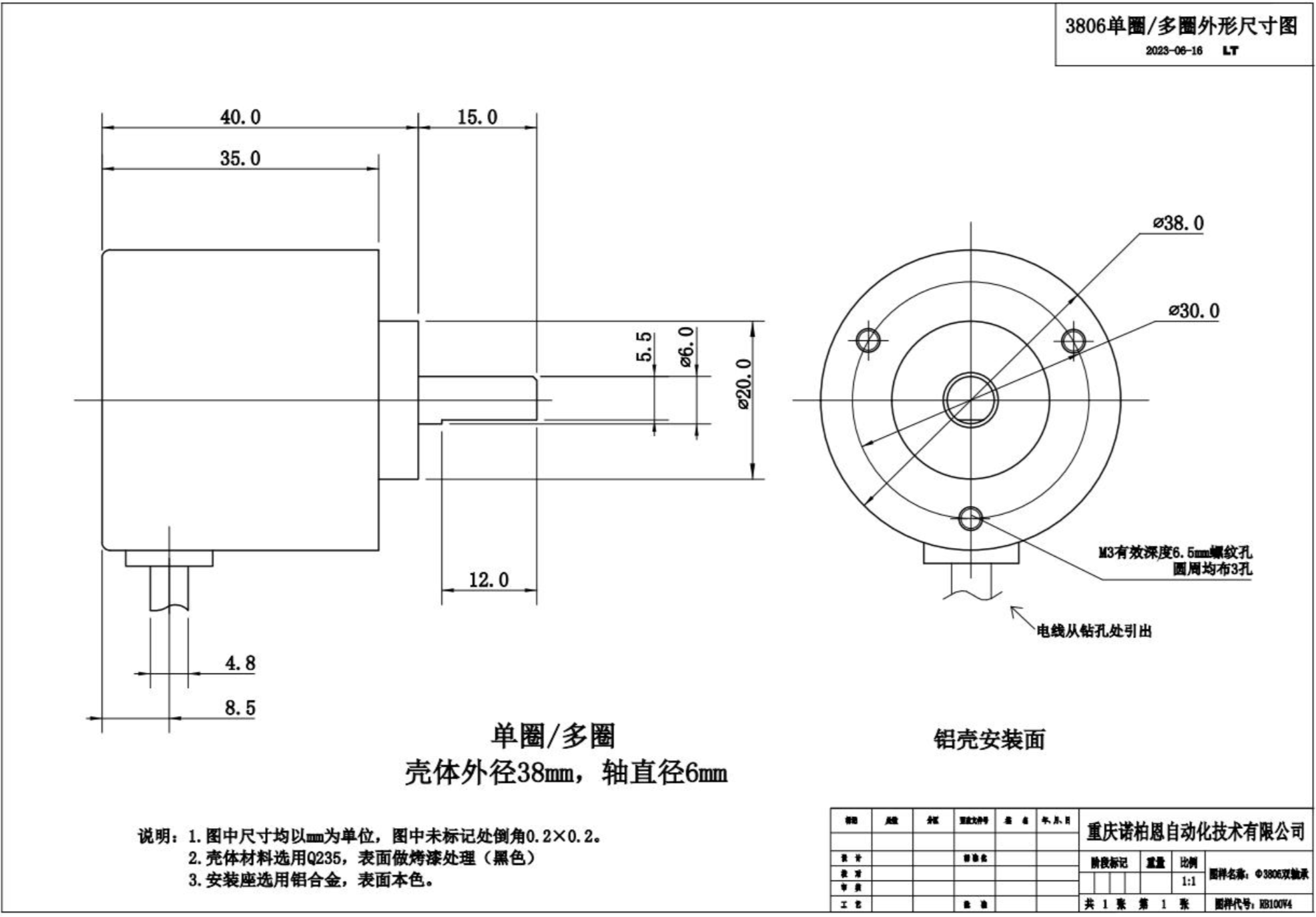
外形尺寸图
下载
概述
<
>
本传感器采用齿轮编码计圈,共20圈,是一种由精密齿轮带动多级磁感应是高精度磁传感器,无需任何电池,无需计数,无需记住电源故障,范围内的任何位置都是*的,即使存在干扰或电源故障,转数也不会丢失,重启后可准确读取位置,*的输出信号,量程范围内可实现每圈0.01度的分辨率
数据参数
分辨率
0.01度
输出电流
4-20mA
计圈范围
0-20圈
绝对精度
0.1D
工作电压
12-26V
工作电流
20-40mA
通讯串口
TTL
防护等级
IP54
外形尺寸图
下载
RB300-M020-24VA420齿轮绝 对值多圈角度传感器说明书
查看
下载
与我们取得联系?
专业研制、生产各类高精度、高速率位移传感器、运动姿态传感器、空间定位系统
关于诺柏恩
了解更多 >
重庆诺柏恩自动化技术有限公司成立于2011年7月,生产场地位于巴南区界石镇宁辉工业园2栋6-7,面积800m2,研发部门位于云水苑数字产业园A310。专业研制、生产各类高精度、高速率位移传感器、运动姿态传感器、空间定位系统。广泛应用于自动化系统、工业机床、自动化产品、检测和科研设备。
产品中心
直线位移
角位移
传感器通讯技术
技术支持
技术文档
销售服务
售后服务项目一览
公司开票与帐户信息
定制与样品服务联系人
技术咨询/销售联系人
下载中心
下载中心
联系我们
关于我们
Copyright @ 重庆诺柏恩自动化技术有限公司 2023. All rights reserved. 备案号:
渝ICP备2023007840号
技术支持:
诺比信